Jeep » Grand Cherokee » Часто задаваемые вопросы (FAQ) »
Grand Cherokee(ZJ)
Двигатели Коробки Раздатки Мосты Подвеска VIN-код FAQ
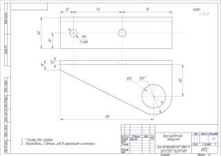
Задние буксировочные крюки на Grand Cherokee (ZJ) как самому сделать?
Skydive, 01 Декабря 2008
Общие разделы
VIN- декодер | Шинный калькулятор | Подвеска | Мосты | Блокируемые дифференциалы | Карданные валы | Коробки передач | Раздаточные коробки | Лебедки | Амортизаторы | Аксессуары | Конверторы единиц измерения | История моделей